02 Gmc Z71 4x4 Wiring Diagram
Detail parts diagram web site. I have found these transmission wiring diagrams for you below and a guide to help you do.
Diagram 2002 Silverado Power Window Wiring Diagram Full Version Hd Quality Wiring Diagram Diagramrt Teatrodelloppresso It
It shows the components of the circuit as simplified shapes and the skill and signal associates between.

02 gmc z71 4x4 wiring diagram. Click on the image to enlarge and then save it to your computer by right clicking on the image. We hope you found the 1995 Chevy G20 wiring diagrams and other schematics helpful. Wiring Diagram comes with a number of easy to adhere to Wiring Diagram Instructions.
Index a good place to quickly locate information about the vehicle is the index in the back of the manual. The primary customer concern was the 4WD was inoperative. Collection of chevy 44 actuator wiring diagram.
2000 Chevrolet Silverado Z71 1500 53 4WD not engaging. It shows the components of the circuit as simplified shapes and the knack and signal associates amongst the devices. This is a little tricky because there is no ground.
1997 GMC SUBURBAN 4DR SUV wiring information. 1996 GMC YUKON 2DR SUV wiring information. It is intended to assist all of the typical person in creating a proper system.
Click on the image to enlarge and then save it to your computer by right clicking on the image. Your Destination for GM Truck Parts. Please verify all wire colors and diagrams before applying any information.
2002chevy 1500 4x4 53 with a 246gm. Wiring Diagram for 2001 Chevy Silverado 1500 02 Gmc Sierra Engine Diagram Wiring Diagram Sheet. A used transfer case had been installed in the vehicle within the past year.
Collection of 2000 chevy silverado wiring diagram. Each part should be set and linked to other parts in specific way. Wiring Diagram for 1997 Chevy Silverado wiring diagram is a simplified enjoyable pictorial representation of an electrical circuit.
The Service 4WD message was flashing in the Message Center in the dash. 1994 Chevy Truck Wiring Diagram Free 1994 chevy truck wiring diagram free Every electric structure is composed of various distinct pieces. 5 7 Vortec Wiring Harness Diagram Download.
5 3 Wiring Harness Diagrams Here Ls1tech Camaro And Firebird Forum Discussion. A wiring diagram usually gives assistance virtually the relative slant and harmony of. Here is a picture gallery about 2000 gmc sierra 1500 wiring diagram complete with the description of the image please find the image you need.
Chevy 44 actuator wiring diagram Repair Guides Wiring Diagrams Wiring Diagrams Chevy 44 Actuator Wiring Diagram Best Chevy. So the TCM actually grounds the circuit but the way it knows what speed the input is going is by how fast the voltage is pulsing from around 15v up to 35v and back and forth with the teeth and gap of the tone wheel on the input shaft. Wiring diagram for harness on updated 4x4 actuator for 88 to 92 k1500.
Wiring Diagram for 2001 Chevy Silverado 1500 wiring diagram is a simplified conventional pictorial representation of an electrical circuit. Your Destination for GM Truck Parts. This 2000 Silverado came into the shop with several issues.
Each component ought to be placed and connected with other parts in specific way. Free chevrolet wiring diagram. Chevy 44 Actuator Wiring Diagram Collection.
2004 Chevy Silverado Wiring Diagram 2004 chevrolet silverado wiring diagram 2004 chevy silverado ac wiring diagram 2004 chevy silverado bose wiring diagram Every electrical structure is made up of various diverse components. Autozone repair guide for your chassis electrical wiring diagrams wiring diagrams. S-SERIES GMC JIMMY 1996 2DR SUV wiring information.
1996 GMC YUKON 4DR SUV wiring information. There is a harness there with eight wires going into it and its one button. When youre ready to start your project count on AutoZones large selection of auto parts and accessories by Autolite Bosch NGK Duralast Blue Streak ACDelco and other respected industry manufacturers.
1994 GMC YUKON 2DR SUV wiring information. DIAGNOSING GMS 4WD SYSTEM GMs 4WD system also uses a motor arrow on the front of the housing to engagedisengage the front drive axles. 442019 Wiring Diagram Images Detail.
03 Chevy 2500 Wiring Diagram Wiring Diagram 2004 Chevy Silverado Wiring Diagram. 93 z71 wiring diagram. Free car stereo and car radio installation resource.
Chevy 44 Actuator Wiring Diagram Best Chevy Silverado Wiring. FULLSIZE GMC VAN 1995 VAN wiring information. Installing A Fuel Pump With A New Harness Connector On A 1999-2003 throughout 2000 Gmc Sierra 1500 Wiring Diagram image size 590 X 400 px and to view image details please click the image.
1997 GMC SONOMA 2DR PICKUP wiring information. 2000 Chevy Silverado Wiring Diagram Collection. If not the structure will not function as it should be.
These instructions will likely be easy to grasp and apply. 4WD Blazer Envoy Jimmy Pickup Sonoma. The wiring on this vehicle was damaged but did not actually set a DTC.
Any user assumes the entire risk as to the accuracy and use of this information. 1993 chevrolet silverado 1500 wiring gm full size trucks 1988 1998 diagram 2000 express chevy 5 3 harness diagrams here 2004 gmc sierra instrument cer headlight 2001 transmission 93 4x4 part 1 2 starter motor circuit need the fuel pump avalanche c k ignition switch stereo for a turn signals please car radio audio. Free chevrolet wiring diagram.
Otherwise the arrangement wont work as it ought to be. The harness connector is out in the open so circuit testing can be done at this location with relative ease. The pages dont tell you what its for.
There is a reference circuit voltage supply and then a signal return circuit.
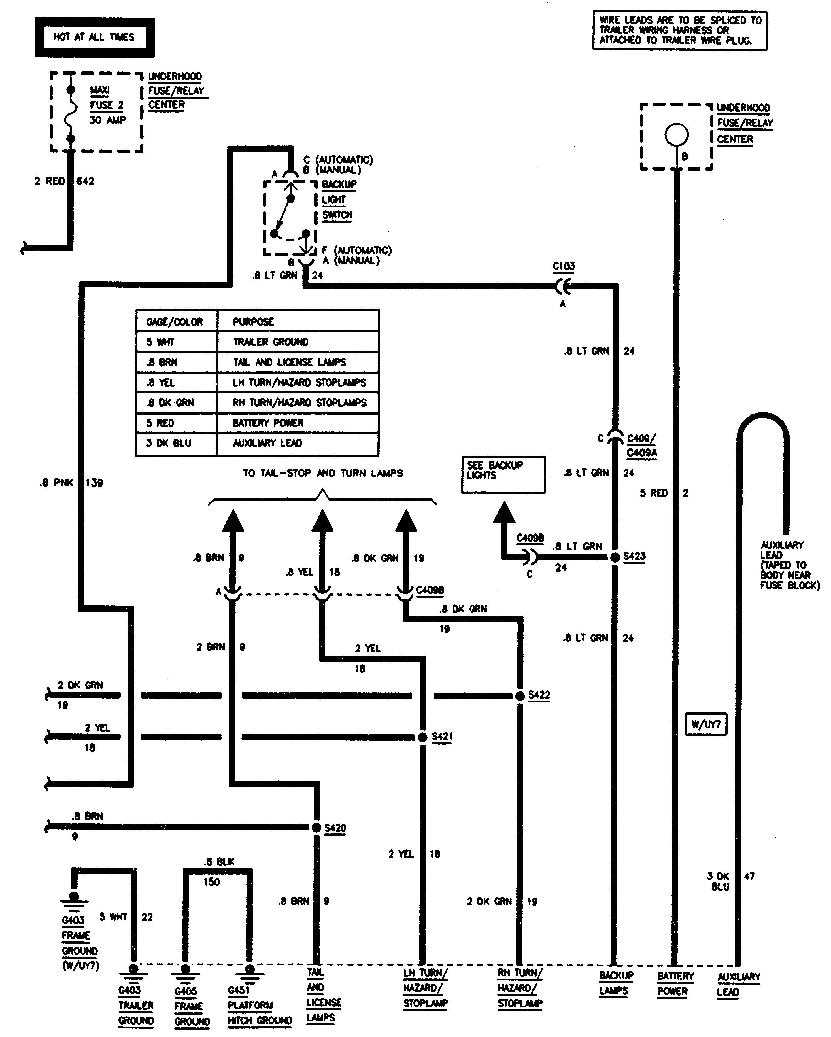
Wiring Schematic 4x4 2001 Sierra 2500hd Gm Truck Club Forum

Wiring Schematic For 1999 Gmc Sierra 1500 Specifically Up And Down Stream Ign0 Fuse Performancetrucks Net Forums

Diagram 03 Gmc Wire Diagram Full Version Hd Quality Wire Diagram Diagrammar Prolococusanese It

My Husband Is At His Wits End Looking For A Wiring Diagram For A 2002 Gmc Sierra A 2005 Chevy Silverado He Is Hooking

No Horn With Fob Or Horn Button 2002 Silverado Performancetrucks Net Forums

Diagram 1997 Gmc Wiring Diagram Full Version Hd Quality Wiring Diagram Diagramman Prolococusanese It

Diagram 1957 Chevy Tail Lights Wiring Harness Diagram Full Version Hd Quality Harness Diagram Buydiagram Segretariatosocialelatina It

Diagram 02 Gmc Yukon Wire Diagrams Full Version Hd Quality Wire Diagrams Diagramman Prolococusanese It

Diagram Wiring Diagram 96 Gmc Full Version Hd Quality 96 Gmc Diagramman Prolococusanese It

1998 Chevrolet Truck K2500hd 3 4 Ton P U 4wd 6 5l Turbo Dsl Ohv 8cyl Repair Guides Wiring Diagrams Wiring Trailer Wiring Diagram Chevy 1500 Chevy Trucks

5 3 Wiring Harness Wiring Diagrams Here Ls1tech Camaro And Firebird Forum Discussion

Diagram 2006 Chevy 2500 Radio Wiring Diagram Full Version Hd Quality Wiring Diagram Imdiagram Giardinowow It
Diagram Wiring Diagram For 1999 Gmc Sierra Full Version Hd Quality Gmc Sierra Ipdiagram Amicideidisabilionlus It

Diagram Chevy Silverado Computer Wiring Diagram Full Version Hd Quality Wiring Diagram Codiagram Amicideidisabilionlus It

My Husband Is At His Wits End Looking For A Wiring Diagram For A 2002 Gmc Sierra A 2005 Chevy Silverado He Is Hooking
4x4 Switch Wiring Shematic Gmc Truck Forum

I Am Revisiting An Old Question My 95 Chevy 1500is Not Working I Have Changed The Actuator Transfer Case Switch On T

Diagram 2004 Chevy Silverado O2 Sensor Wiring Diagram Full Version Hd Quality Wiring Diagram Buydiagram Segretariatosocialelatina It
Diagram Gmc Sierra 1500 Wiring Diagram Full Version Hd Quality Wiring Diagram Veediagram Amicideidisabilionlus It